Инновации в технологии измерения радиального биения эвольвентных цилиндрических зубчатых колес
- Авторлар: 1, 1
-
Мекемелер:
- Самарский национальный исследовательский университет имени академика С.П. Королева
- Шығарылым: Том 1 (2025)
- Беттер: 411-412
- Бөлім: ЧАСТЬ I. Аддитивные технологии
- ##submission.dateSubmitted##: 06.05.2025
- ##submission.dateAccepted##: 28.05.2025
- ##submission.datePublished##: 02.11.2025
- URL: https://manmiljournal.ru/osnk-sr2025/article/view/679233
- ID: 679233
Дәйексөз келтіру
Толық мәтін
Аннотация
Обоснование. В большом количестве техники в современном мире, как в автомобилестроении, так и в авиации, используются редукторы различных масштабов. Для надежной работы зубчатых колес и передач необходимо контролировать кинематические параметры и параметры плавности работы, что в свою очередь увеличивает трудоемкость на создание узла [1].
Цель — создание опытного образца малогабаритного, полуавтоматического (автоматического) и специализированного средства измерения радиального биения цилиндрических зубчатых колес [2].
Методы. Механизм полностью спроектирован на базе программы KOMPAS 3D V22 для упрощения моделирования конструкции и ее отработки. Введена маломощная электроника для автоматизации процесса замера радиального биения. Задачей при проектировании является максимальное уменьшение габаритных размеров, упрощение конструкции и возможность создания механизма с использованием аддитивных технологий.
Были исследованы существующие модели биениемеров для автоматического измерения [3–5], при сравнении с которыми следует выделить следующие преимущества:
–малые габариты;
–простота конструкции;
–широкий спектр диаметров и модулей;
–частичная или полная автоматизация замера одной шестерни.
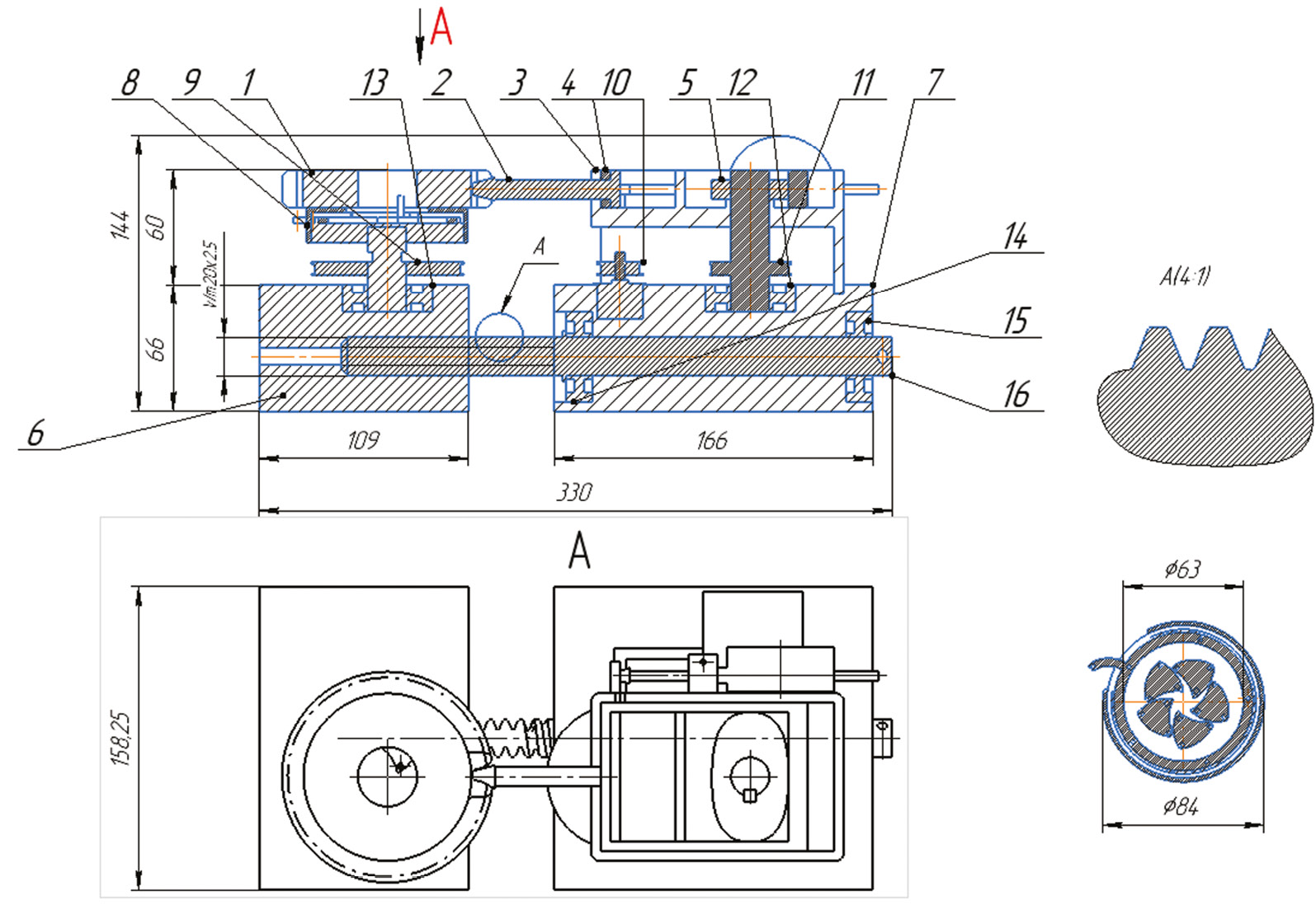
Результат. По окончании работы спроектирован и изготовлен опытный образец биениемера (рис. 1) для измерения радиального биения цилиндрических зубчатых колес с использованием электронной платы Arduino nano и шаговых двигателей.
Рис. 1. Сборочный чертеж биениемера: 1 — колесо зубчатое; 2 — шток; 3 — корпус; 4 — тяга; 5 — кулачок; 6 — станина 1; 7 — станина 2; 8 — зажимной механизм; 9 — шкив колеса; 10 — шкив промежуточный; 11 — вал-шкив; 12 — подшипник осевой № 1; 13 — подшипник осевой № 2; 14 — подшипник радиальный № 1; 15 — подшипник радиальный № 2; 16 — вал с ходовой резьбой
Принцип действия: контролируемое колесо 1 устанавливается в центрирующее устройство типа «Ирис диафрагма» 8 и фиксируется. Измерение радиального биения осуществляется относительным методом в сравнении со случайной впадиной колеса. Измерительной головкой является индикатор часового типа ИГ-1, закрепленный на толкателе-раме 3 в таком положении, что измерительный наконечник упирается в Т-образный шток 2. Наконечник штока 2 имеет коническую форму и устанавливается с небольшим натягом во впадине колеса, центрируясь по радиусу делительной окружности колеса. Данная позиция обнуляется на индикаторе. Далее производится включение двигателя с использованием кнопки, что приводит во вращение вал 10, через ременную передачу валы 9 и 11. Вращательное движение вала 11 преобразуется в поступательное перемещение штока 2 с помощью кулачкового механизма 5, в то же время вращение вала 9 синхронизировано с вращением контролируемого колеса на один шаг. Показания снимаются с индикатора по мере перемещения штока от впадины к впадине. По прохождении полного круга механизм останавливается.
Выводы. В ходе работы были изучены различные конструкции средств измерения радиального биения и их использование на предприятиях и в учебных целях.
Актуальностью данной работы является сокращение трудоемкости проверки одного типа цилиндрического зубчатого колеса в массовом производстве и уменьшение габаритов и массы средства измерения.
Негізгі сөздер
Толық мәтін
Обоснование. В большом количестве техники в современном мире, как в автомобилестроении, так и в авиации, используются редукторы различных масштабов. Для надежной работы зубчатых колес и передач необходимо контролировать кинематические параметры и параметры плавности работы, что в свою очередь увеличивает трудоемкость на создание узла [1].
Цель — создание опытного образца малогабаритного, полуавтоматического (автоматического) и специализированного средства измерения радиального биения цилиндрических зубчатых колес [2].
Методы. Механизм полностью спроектирован на базе программы KOMPAS 3D V22 для упрощения моделирования конструкции и ее отработки. Введена маломощная электроника для автоматизации процесса замера радиального биения. Задачей при проектировании является максимальное уменьшение габаритных размеров, упрощение конструкции и возможность создания механизма с использованием аддитивных технологий.
Были исследованы существующие модели биениемеров для автоматического измерения [3–5], при сравнении с которыми следует выделить следующие преимущества:
–малые габариты;
–простота конструкции;
–широкий спектр диаметров и модулей;
–частичная или полная автоматизация замера одной шестерни.
Результат. По окончании работы спроектирован и изготовлен опытный образец биениемера (рис. 1) для измерения радиального биения цилиндрических зубчатых колес с использованием электронной платы Arduino nano и шаговых двигателей.
Рис. 1. Сборочный чертеж биениемера: 1 — колесо зубчатое; 2 — шток; 3 — корпус; 4 — тяга; 5 — кулачок; 6 — станина 1; 7 — станина 2; 8 — зажимной механизм; 9 — шкив колеса; 10 — шкив промежуточный; 11 — вал-шкив; 12 — подшипник осевой № 1; 13 — подшипник осевой № 2; 14 — подшипник радиальный № 1; 15 — подшипник радиальный № 2; 16 — вал с ходовой резьбой
Принцип действия: контролируемое колесо 1 устанавливается в центрирующее устройство типа «Ирис диафрагма» 8 и фиксируется. Измерение радиального биения осуществляется относительным методом в сравнении со случайной впадиной колеса. Измерительной головкой является индикатор часового типа ИГ-1, закрепленный на толкателе-раме 3 в таком положении, что измерительный наконечник упирается в Т-образный шток 2. Наконечник штока 2 имеет коническую форму и устанавливается с небольшим натягом во впадине колеса, центрируясь по радиусу делительной окружности колеса. Данная позиция обнуляется на индикаторе. Далее производится включение двигателя с использованием кнопки, что приводит во вращение вал 10, через ременную передачу валы 9 и 11. Вращательное движение вала 11 преобразуется в поступательное перемещение штока 2 с помощью кулачкового механизма 5, в то же время вращение вала 9 синхронизировано с вращением контролируемого колеса на один шаг. Показания снимаются с индикатора по мере перемещения штока от впадины к впадине. По прохождении полного круга механизм останавливается.
Выводы. В ходе работы были изучены различные конструкции средств измерения радиального биения и их использование на предприятиях и в учебных целях.
Актуальностью данной работы является сокращение трудоемкости проверки одного типа цилиндрического зубчатого колеса в массовом производстве и уменьшение габаритов и массы средства измерения.
Авторлар туралы
Самарский национальный исследовательский университет имени академика С.П. Королева
Хат алмасуға жауапты Автор.
Email: joker098789@gmail.ru
студент, группа 2308, институт двигателей и энергетических установок
Ресей, СамараСамарский национальный исследовательский университет имени академика С.П. Королева
Email: olegfaksmira@mail.ru
студент, группа 2308, институт двигателей и энергетических установок
Ресей, СамараӘдебиет тізімі
- Радкевич Я.М., Схиртладзе А.Г. Метрология. 6-е изд., перераб. и доп. Москва: Юрайт, 2025. 211 с. ISBN: 978-5-534-17842-5
- Шманев В.А., Шулепов А.П., Косычев Ю.В. Контрольно-измерительные приспособления для производства деталей авиационных двигателей: учебное пособие / под ред. А.П. Шулепова. Москва: МАИ, 1993. 203 с. ISBN: 5-7035-0715-4
- Патент № 1226003/23.04.1986. Бегагоен И.А., Бойко А.И., Марутов В.А. Устройство для контроля радиального биения зубчатых колес. Режим доступа: https://yandex.ru/patents/doc/SU1226003A1_19860423. Дата обращения: 25.03.2022.
- Патент № 654848/30.03.1979. Фельдберг Л.Я. Устройство для контроля радиального биения зубчатых колес. Режим доступа: https://yandex.ru/patents/doc/SU654848A1_19790330. Дата обращения: 25.03.2022.
- Патент № 2019782/15.09.1994. Аликулов Д.Е. Устройство к биениемеру для контроля зубчатых колес. Режим доступа: https://yandex.ru/patents/doc/RU2019782C1_19940915. Дата обращения: 25.03.2022.
Қосымша файлдар



